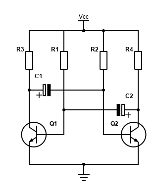
Multivibrateur astable à transistor comme générateur de son
En gros, quand Q1 est passant, la tension à son collecteur chute brutalement de +U à 0. Comme C1 n'a pas le temps de se décharger, sa borne (-) chute de +0,6V [*] à (0,6 - Vcc), ce qui bloque Q2. C1 se charge doucement et dès que sa borne (-) est à +0,6V, Q2 devient passant. Même chose dans l'autre sens.
[*] +0,6V étant la tension qu'il a acquise au cycle précédent, quand Q2 était devenu passant.
\[f = \frac 1 {0.69 (R_2C_2+R_3C_3)} = \frac 1{1.38 \times RC } \]
\(R_1 = R_4 = 470 \Omega\), \(R_2 = R_3 = 100 k\Omega\), \(C_1 = C_2 = 100 nF\) \(\Rightarrow f ≈ 72.5 Hz\).
Mesures aux bornes de C2 :
En jaune, le signal à la borne (+) de C2. En bleu le signal à la borne (-) de C2. On voit bien que la tension chute brutalement (au moment où Q2 devient passant) puis remonte lentement (correspondant à la charge de C2).
... à fréquence variable
L’oreille humaine entend de 20 Hz à 20 kHz. → 0.036 > RC > 0.000036. On pose C = 100 nF → 362 kΩ > R > 362 Ω.
Le piano, lui, va de 27.5 Hz à 4186 Hz → 0.026 > RC > 0.00017. On pose C = 100 nF → 263.5 kΩ > R > 1731 Ω.
Problème : la plage est trop grande → ca déforme le signal qui du coup n'est plus carré. (en même temps, un signal carré pour faire du son, c'est pas top)
R = 1.5 kΩ →
R = 221.5 kΩ →
Pour rester dans des plages correctes (sans déformation du signal carré), on peut par exemple utiliser un potentiomètre de 100 kΩ + 10 kΩ en série et sélectionner un condensateur :
- C = 1 uF → f = 6.59 à 72.5 Hz
- C = 100 nF → f = 65.9 à 725 Hz
- C = 10 nF → f = 659 Hz à 7.25 kHz
- C = 1 nF → f = 6.59 à 72.5 kHz