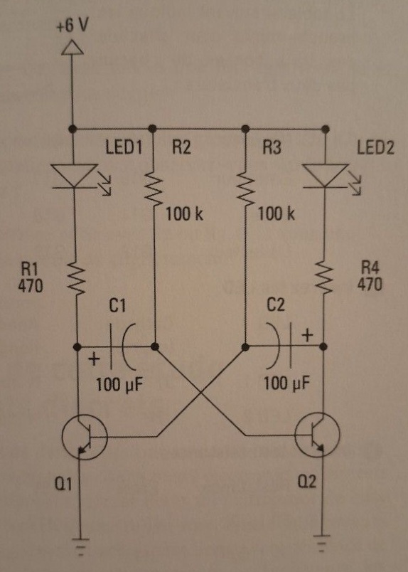
Petit schéma trouvé dans Electronique pour les nuls:
Trop lent -> je divise la résistance par 10 :
\(R_2 = R_3 = 10 k\Omega\)
\(C_1 = C_2 = 100 \mu F\)
Mesures aux collecteurs :
Mais :
- La tension devrait être proche de 5V,
- La période devrait être de \( t = 0.693 ( R_2 C_1 + R_3 C_2 ) \) \( = 1.38 \times 10 k \times 100 \mu \) \( = 1.38 s \)
Je retire les LED :
Période = presque OK (1.5 au lieu de 1.38) mais on a toujours des dents de scie. Voyons avec une capa plus petite et une résistance plus grande :
\( 100 k\Omega / 10 \mu F \)
Poussons un peu plus : \( 1 M\Omega / 1 \mu F \) → N'importe quoi !
Au feeling : \( R_1 = R_2 = 4.7 k\Omega \) pour rester dans les même proportions qu'au début.
Top. Et période quasi OK (1.35 au lieu de 1.38).
'Faudra voir aussi si une charge influence la fréquence et/ou l'amplitude.
to be continued...